产品 案例 我们

橡胶硬度计
  • 日本得乐橡胶硬度计GS-706N
日本得乐橡胶硬度计GS-706N

日本得乐橡胶硬度计GS-706N,旧款A型标准型,应用一般橡胶,如轮胎、橡胶水管、橡胶硬度小于D型20°。测头直径0.79mm,圆锥状,高度2.54mm。

产品简介 / Introduction
产品特点product feature
日本得乐橡胶硬度计GS-706N

日本得乐TECLOCK橡胶硬度计

日本得乐橡胶硬度计GS-706N,旧款A型标准型,应用一般橡胶,如轮胎、橡胶水管、橡胶硬度小于D型20°。测头直径0.79mm,圆锥状,高度2.54mm。

产品展示Product show
  • 日本得乐橡胶硬度计GS-706NA型橡胶硬度计
  • 日本得乐橡胶硬度计GS-706NGS-706N橡胶硬度计
  • 日本得乐橡胶硬度计GS-706N日本得乐橡胶硬度计
产品参数Product Parameter

 产品标准说明:

JIS  K 613标准于1950年写成,垫定了我国橡胶标准的基础,由于不符合ISO标准,于1988年停止使用,用JIS K 6253标

准代替。然而,这个标准在橡胶行业的使用已达60多年,即使现在,仍然有一些公司在使用。

产品规格:

型号

型式

用途

符合标准

标准荷重值     0-100

测头形状
mm)

高度(mm)

重量(g)

指针式

GS-706N

JIS A型

普通橡胶

JIS K 6301

539-8385mN
55-855gf)

尖径0.79 35°圆锥状

2.54

200

GS-706G

JIS A型(置为针)

普通橡胶

JIS K 6301

539-8385mN
55-855gf)

尖径0.79 35°圆锥状

2.54

208

数显式

GSD-706K

A型(旧款)

普通橡胶

JIS K 6301

539-8385mN
55-855gf)

尖径0.79 35°圆锥状

2.54

313




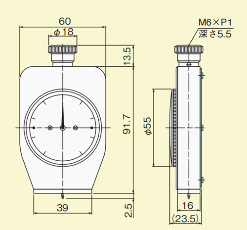
产品尺寸:

产品尺寸



       


热品推荐 / Hot product
日本得乐橡胶硬度计GS-706N
Shore E德国Bareiss邵氏硬度计HP